Cart

TopDeal

Discover all the offers in our ToolShop.

Learn more
ToolOutlet

Discount up to 81% - but only while stocks last

Learn more
No search results available

116330

Built-in micrometer digital SYLVAC S_Screw Smart

SwissMade - 2-year guarantee
For use on machine tools, coordinate tables, microscopes, special measuring equipment etc. Version with non-rotating spindle, measuring surfaces carbide-coated and lapped.

Features:
  • LCD display Ø 44 mm, can be rotated through 270°
  • Zero RESET
  • Absolute/relative mode
  • mm/inch conversion
  • PRESET (fixed value setting)
  • Reversible measuring direction
  • Data output Bluetooth® / Power

Package contents:
Delivered in transport packaging incl. inspection report.

Appropriate batteries:
1 pieces 155051.0545 - CR2032 / 3.0 V (included in scope of delivery)
Found 2 items
FILTER
Range [mm]
Range [mm]

Remove filter
Resolution [mm]
Resolution [mm]

Remove filter
Accuracy [µm]
Accuracy [µm]

Remove filter
Build-in Ø [mm]
Build-in Ø [mm]

Remove filter
Article Nr
Description
Range [mm]
0...25 - 0...50
Resolution [mm]
0.001
Accuracy [µm]
5 - 8
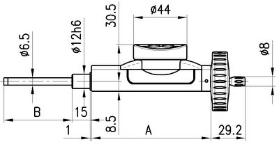
Build-in Ø [mm]
12
Measuring spindle Ø [mm]
6.5
Digit height [mm]
6
Spindle pitch [mm]
1
Length A [mm]
98.5
Tightening nut
-
Version
Data output Bluetooth® / Power
Scales
Net EUR
plus delivery
Quantity
116330.1100
Micrometer head digital SYLVAC S_Screw Data output Bluetooth®
0…25 / 0.001 / IP54 / BT
Range [mm]
Resolution [mm]
Accuracy [µm]
Build-in Ø [mm]
Range [mm]
0...25
Resolution [mm]
0.001
Accuracy [µm]
5
Build-in Ø [mm]
12
Scales, Net EUR plus delivery
Scales, Net EUR plus delivery
product.table_item.graduation, product.table_item.pricing
Article Details Accessory
Loading...
116330.1200
Micrometer head digital SYLVAC S_Screw Data output Bluetooth®
0...50 / 0.001 / IP54 / BT
Range [mm]
Resolution [mm]
Accuracy [µm]
Build-in Ø [mm]
Range [mm]
0...50
Resolution [mm]
0.001
Accuracy [µm]
8
Build-in Ø [mm]
12
Scales, Net EUR plus delivery
Scales, Net EUR plus delivery
product.table_item.graduation, product.table_item.pricing
Article Details
Found 2 items
Plus
per